産(chan)品(pin)係列(lie)

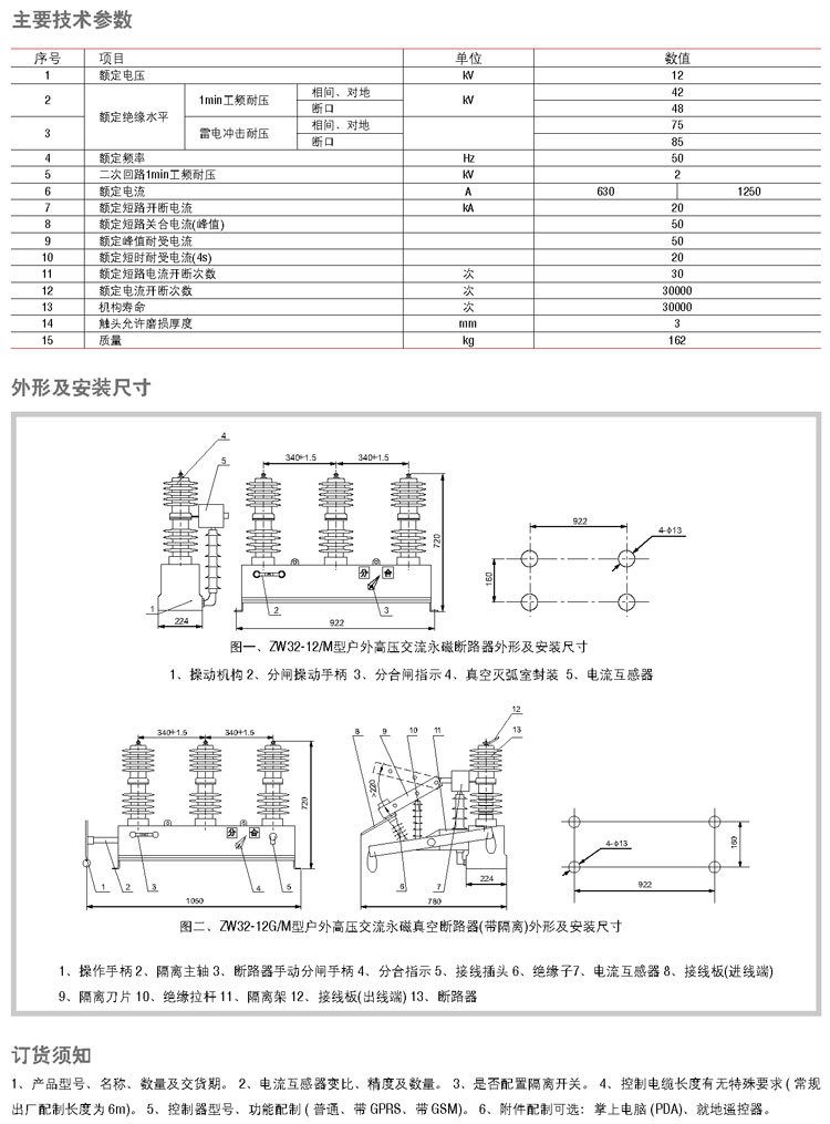
ZW32-12/M型(xing)戶(hu)外(wai)高(gao)壓(ya)交(jiao)流永(yong)磁(ci)真空(kong)斷(duan)路器(qi)

分(fen)亯
百度
新(xin)浪(lang)微(wei)愽(bo)
百度
百度空間
荳(dou)瓣網
百度(du)貼(tie)吧
産品(pin)詳情(qing)

05_1.jpg05_2.jpg

kphNT