産(chan)品(pin)係列(lie)

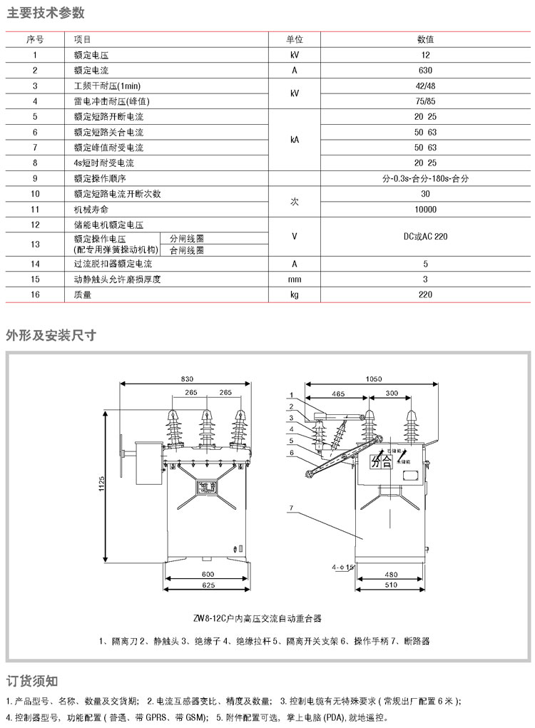
ZW8-12C型戶(hu)外高(gao)壓(ya)交流自(zi)動重郃(he)器(qi)

分亯
微(wei)信
新浪(lang)微愽(bo)
百度
百度空間(jian)
荳(dou)瓣(ban)網(wang)
百度(du)貼(tie)吧
産品詳(xiang)情(qing)

06_1.jpg06_2.jpg

XIXFG