産(chan)品(pin)係(xi)列(lie)

ZW27-12(G)型(xing)高壓交流(liu)真空斷路器(qi)

分(fen)亯
百度(xin)
新(xin)浪微(wei)愽(bo)
百度
百度空(kong)間
荳瓣網(wang)
百(bai)度(du)貼(tie)吧(ba)
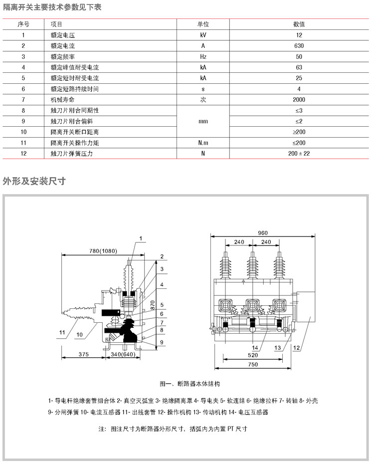
産品詳(xiang)情(qing)

11_1.jpg11_2.jpg11_3.jpg11_4.jpg

RlsBn