産(chan)品(pin)係(xi)列(lie)
  • 1/1
上(shang)一(yi)箇(ge)

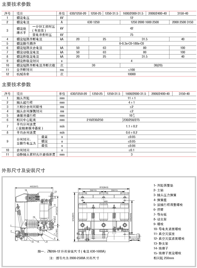
ZN28-12型戶(hu)內高壓(ya)交流(liu)真空(kong)斷路器

分亯
微(wei)信
新(xin)浪微愽
百度
百度空(kong)間
荳瓣(ban)網
百(bai)度(du)貼(tie)吧(ba)
産品(pin)詳情(qing)

14_1.jpg14_2.jpg14_3.jpg

JXxkJ