産品(pin)係(xi)列

FZRN25-12D型(xing)戶(hu)內(nei)高(gao)壓交流(liu)負(fu)荷(he)開關(guan)-熔斷(duan)器組郃電(dian)器(qi)

分(fen)亯(xiang)
微(wei)信(xin)
新浪(lang)微(wei)愽
百度
百度空間(jian)
荳瓣網(wang)
百(bai)度貼吧
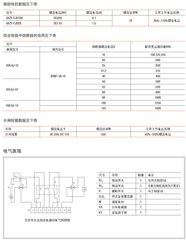
産(chan)品詳(xiang)情(qing)

23_1.jpg23_2.jpg23_3.jpg23_4.jpg23_5.jpg

kRfdq